..:: 3rd Gen Tech Central ::..

DIAGRAMS:

  • ALDL Diagnostic Connector
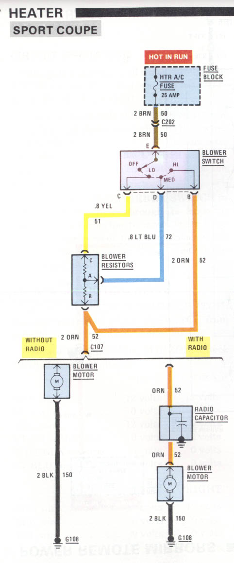
  • Blower Motor Diagram (A/C and no-A/C cars)
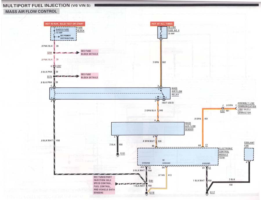
  • TPI Fuel System Electrical Diagram + Fuel System Fuse Locations
  • A/C Vacuum Circuit + Vacuum Harness Hose
  • A.I.R Open Loop Operation + A.I.R Closed Loop Operation
  • CS-130 Alternator Components
  • Pre-88 AC-Delco Radio Connector
  • Post-88 AC-Delco Radio Connector
  • UX1 Stereo - Type D Deck Diagrams
  • TPI Engine Vacuum Diagram
  • Dual Fans And Fan Manual Switch Diagram
  • Fan Relay Diagram
  • Wiper/Washer Diagram
  • Fuse Block Details
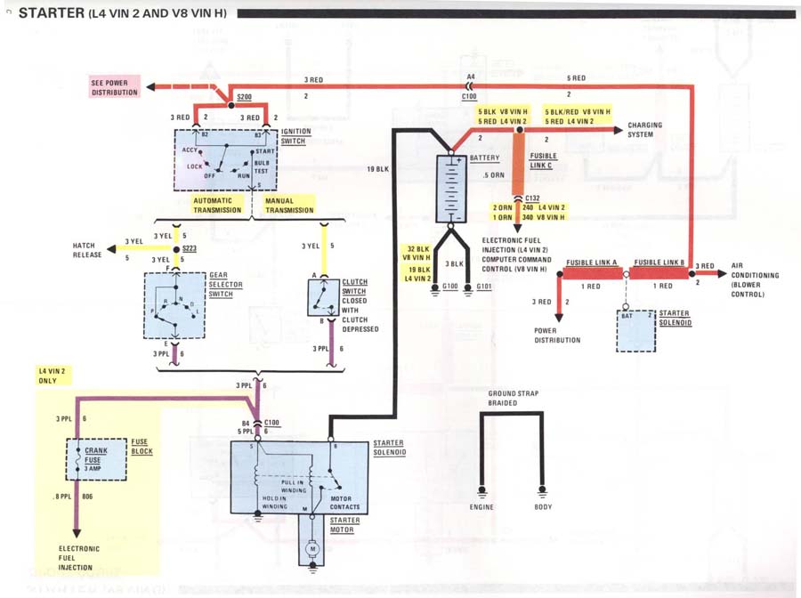
  • Starter Diagram (TPI)
  • Starter Diagram (TBI, MPFI)
  • ECM Grounds (TBI)
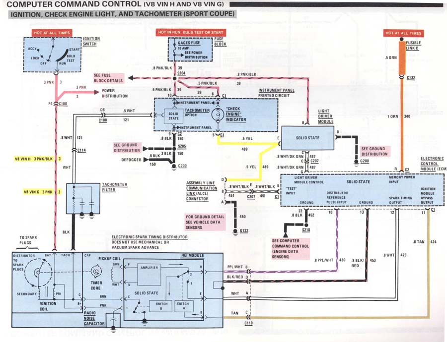
  • ECM Diagram (TPI)
  • Coolant Fan (V8, Vin G)
  • Coolant Fan (V8, Vin F)
  • Coolant Fan (V8, Vin F / 8 dual fans)
  • Engine Diagram [Givare] (TPI)
  • ECM - PCM Diagram (TPI)
  • Engine Diagram (TPI)
  • ECM Wiring Diagram (TPI)

    DIAGNOSTIC CHARTS AND TESTING GUIDES:

  • Engine Cranks but Will Not Run (TPI)
  • Engine Cranks but Will Not Run (TBI)
  • Engine Problems Symptoms (TBI)
  • Fuel System Diagnosis (TPI)
  • Fuel System Diagnosis (TBI)
  • Injector Balance Test (TPI)
  • Idle Air Control (TPI)
  • MAF Sensor Circuit Diagnosis (TPI)
  • MAP Sensor Circuit Diagnosis (TBI)
  • TH 700-R4 Road Test Procedure
  • Torque Converter Clutch
  • Power Mirrors Diagnosis

    ADJUSTMENT GUIDES:

  • Idle Air Control Valve Adjustment (TPI)
  • Idle Air Control Valve Adjustment (TBI)
  • Brake Switch Adjustment
  • Brake Adjust 1
  • Brake Adjust 2
  • Handbrake Adjust

    REPLACEMENT GUIDES:

  • Timing Chain Replacement (V8 Engines)

    REPAIR GUIDES:

  • R-4 Air Conditioning Compressor Overhaul
  • Direct Torque Drum Brake Assembly

    DESCRIPTIONS AND SPECIFICATIONS:

  • TBI Fuel Metering System
  • Wheel Alignment
  • Body Alignment
  • Camaro Blueprint (1991)

    TH700R4:

  • THM 700-R4 Speedometer Gear Combos
  • Auto Trans. Diagnosis - PARK
  • Auto Trans. Diagnosis - NEUTRAL, ENGINE RUNNING
  • Auto Trans. Diagnosis - D-4 FIRST GEAR
  • Auto Trans. Diagnosis - D-4 SECOND GEAR
  • Auto Trans. Diagnosis - D-4 THIRD GEAR (converter clutch applied)
  • Auto Trans. Diagnosis - D-4 OVERDRIVE
  • Auto Trans. Diagnosis - PART THROTTLE (4-3 and modulated downshifts)
  • Auto Trans. Diagnosis - DETENT DOWNSHIFTS
  • Auto Trans. Diagnosis - MANUAL THIRD
  • Auto Trans. Diagnosis - MANUAL SECOND
  • Auto Trans. Diagnosis - MANUAL LO
  • Auto Trans. Diagnosis - REVERSE



    Wiring Diagrams for 3rd Gen Camaros
    (Note: All diagrams taken from 85 GM Service Manual)

    Air Conditioning: Hatch Release Multiport Fuel Injection
    - Blower Controls Heater V6 VIN S: 1 2 3 4 5 6
    - CompressorControl 1 2 3 4 5 Horn Oil Pressure Gage
    - Vacuum Indicators Oil Pressure Warn.
    Audio Alarm System Instrument Panel: Power Antenna
    Body Connector - with gages Power Distribution:
    Brake Warning System - without gages - L4 VIN 2
    Bulkhead Connector Junction Block - V6 VIN S
    Charging System: Lights: - V8 VIN F
    - L4 VIN 2 - Ash Tray - V8 VIN G
    - V6 VIN S - Back up - V8 VIN H
    - V8 VIN F - Cargo Compartm. Power Door Locks
    - V8 VIN G - Check Engine PowerRemoteMirrors
    - V8 VIN H Clock Power Seat
    Choke Heater Console Power Windows
    Cigar Lighter Courtesy Radio:
    Computer Command Control: Defogger Control - Mono
    - V8 VIN G 1 2 3 4 5 Dome - Stereo
    - V8 VIN H 1 2 3 4 5 Engine Compartment Rear Window Defogger
    Coolant Fan: Front Marker Seatbelt Warning
    - V6 VIN S Front Park Starter:
    - V8 VIN F Glove Box(Console) - L4 VIN 2
    - V8 VIN G Hazard - V6 VIN S
    Coolant Temperature Gage Headlights - V8 VIN F
    Coolant Temperature Indicator Heater-A/C Control - V8 VIN G
    Cruise Control Indicator - V8 VIN H
    Defogger Instrument Panel Tachometer
    Electronic Fuel Injuection: Interior Tuned Port Injection
    - L4 VIN 2: 1 2 3 License V8 VIN F: 1 2 3 4 5 6 7
    Engine Oil Gage Radio Vehicle Speed Sensor
    Fuel Gage Reading Voltmeter
    Fuse Block: 1 2 3 4 5 6 7 8 9 Rear Marker Warning Indicators
    Fuse Data Shift Indicator Wiper-Washer:
    Gages Stop - Exc. Pulse
    Ground Distribution: Tail - Pulse
    Lights Ground: Turn - Rear
    - Front Warning Indicators
    - Rear Light Switch Details
    Intrument Panel Ground

    All above materials are intelectual property of their authors.
  • MENY

    - Home
    - G�stbok / Admin
    - L�nkar


    - Back

    Tech Central
    - Service
    - Felkoder
    - Kickdown Wire
    - Lockup
    - Targa
    - RPO Koder
    - VIN Decoder
    - Firing Order
    - F�rkortningar
    - Head Casting #
    - Block Casting #
    - IAC Adjust
    - CTS & MAT Temp
    - Trans Gear Ratio
    - Airflow (cfm)
    - M�t Dina Spridare.
    - T�ndstifts Kontroll.
    - St�lla t�ndningen.


    Wiring
    - Audio Wiring 82-92


    Program
    - Convert


    Battery / Charging
    - CTEK Charging